油罐车底部阀门及零件

/ 产品 / 汽油和化学品罐车零件 / 油罐车底部阀门及零件 / 油罐车高可靠性手动底阀

油罐车高可靠性手动底阀

油罐车高可靠性手动底阀

HB804CS-100系列手动底部阀门是专为油罐车设计的机械控制阀门,兼具安全性、耐用性和高流量性能。阀盘安装在罐体底部,密封在罐体内部,阀体设有切割槽。发生意外严重撞击时,阀体外部会沿槽体断裂,保证油箱整体密封,有效防止燃油泄漏,保障装卸作业。

该手动阀通过机械控制运行,在燃料输送过程中提供精确可靠的运行。优化的内部设计确保装卸过程中的顺畅流动,同时最大限度地降低泄漏风险。阀体由经过表面氧化处理的铝制成,具有耐腐蚀性和持久的耐用性。可选的 VITON 或 Buna-N 密封件可增强耐化学性并延长使用寿命。

在全球范围内,这种类型的手动底部阀根据地区的不同而有多种名称。在欧洲和北美,它通常被称为“手动紧急截止阀”或“油罐车底阀” 在中东和东南亚,它被称为“罐底手动阀”或“油罐车底紧急阀” 在南美洲和其他拉丁美洲国家,它可能被称为“Válvula manual de fondo para cisterna” 无论术语如何,其核心功能保持一致:为燃料运输提供可靠、安全的底部阀门控制解决方案。

主要特点:
高流量设计,高效装卸
与标准 4 英寸 TTMA 法兰兼容,易于安装
符合EN 13308油罐服务设备标准
机械操作,实现精确可靠的控制
铝阀体经过表面氧化处理,具有耐腐蚀性和轻质结构
可选 VITON 或 Buna-N 密封件,具有耐化学性和长使用寿命
优化的内部设计减少了泄漏并增加了流量

技术规格:
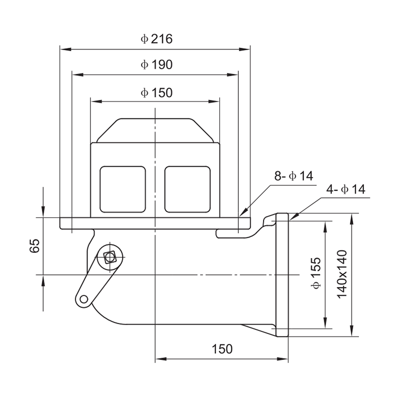
公称尺寸:4英寸
工作压力:0。6MPa
最大流量:2500 L/min
温度范围:-20°C至70°C
法兰类型:罐侧圆法兰,管侧方法兰
打开模式:手动
适用介质:汽油、柴油等轻质燃料

推荐配件:
油箱侧法兰(HBBVTSFL-100R)
带公螺栓(HBBVTSFL-100RB)或母螺母(HBBVTSFL-100RA)的罐侧焊接集水槽
管侧方形法兰(HBBVPSFL-100F)
由 Buna-N 或 Viton 制成的储罐和管道侧垫圈

HB804CS-100系列手动底阀广泛应用于油罐车、化工罐车、危险液体运输车辆以及专用液体储存和运输设备。它为底部阀门提供安全、可靠和长期稳定的连接,并可根据不同的国家标准和项目要求进行定制。

  • 规格
  • 联系我们

技术规格:
产品编号 HB804CS-100
公称尺寸:4英寸
工作压力:0。6MPa
最大流量:2500L/min
打开模式:手动
温度范围:-20~70℃
法兰:罐侧为圆形,管侧为方形
适用介质:汽油、柴油等轻质燃料

以下配件设计用于与底部阀门配合使用,以提供多种选择:

HBBVTSFL-100R – 罐侧法兰,带 8 个螺栓孔
HBBVTSFL-100RB – 带 8 个公螺栓的罐侧焊接集水槽
HBBVTSFL-100RA – 带 8 个母螺母的罐侧焊接集水槽
HBBVPSFL-100F – 管侧方形法兰,带 4 个螺栓孔
Buna-N / Viton 圆形垫圈,适用于 4 英寸底部阀门罐侧
Buna-N / Viton 方形垫圈,适用于 4 英寸底部阀门管侧

其他所需备件或其他材料均为定制!

功能
符合 EN 13308 – 储罐维修设备。
机械控制–确保装卸过程的可靠运行。
优化的内部设计 – 最大限度地减少装载过程中的泄漏并允许高流量。
耐用的结构 – 由阳极氧化铝制成,具有耐腐蚀性。
可选配 VITON 或 Buna-N 密封垫圈– 优异的耐化学性和耐用性。

关于海波
浙江海波石油设备有限公司。

浙江海波石油设备有限公司成立于2017年,是一家位于浙江省温州市永家县的认证企业—被全球公认为全球最大的石油设备制造基地,也是中国著名的泵阀之乡。
我们的产品广泛应用于流体控制系统、能源系统、测量系统、管道系统和液压系统,为世界各地的石油公司、军事单位、油库、油罐车制造商和加油站提供服务。省—被全球公认为全球最大的石油设备制造基地,也是中国著名的泵和阀门故乡。
在海博,我们拥有一支在石油设备和流体控制领域拥有 20 多年专业经验的高级行业专家团队。他们深厚的技术知识和行业洞察力确保我们提供的每种产品和解决方案都符合质量、可靠性和性能的最高标准。

荣誉证书
  • 实用新型专利证书
  • 实用新型专利证书
  • 实用新型专利证书
  • 实用新型专利证书
  • 实用新型专利证书
  • 实用新型专利证书
  • 实用新型专利证书
  • 实用新型专利证书
  • 实用新型专利证书
  • 实用新型专利证书
  • 测试报告
  • 测试报告
新闻
  • 随着国内油轮行业环境安全标准的不断提高,对加油站设备精细运行的需求变得越来越迫切。浙江海博石油设备有限公司凭借多年的技术研发和生产经验,打造了一系列油罐车和燃油分配器零件。这些产品适应性强、稳定性高、安全性高,已成为能源运输和石油零售终端的核心支撑选择,保障整个石油产业链的安全运行。 在油轮零部件领域,海博石油密切关注2024年油轮行业的新政策要求,推出包括密封件、阀门、连接器等全系列...

    READ MORE
  • 近日,浙江海博石油设备有限公司多款燃油喷嘴产品完成技术升级。凭借其精准计量、安全防护、适应智能化等核心优势,成为石油零售终端设备升级的首选方案,为加油站行业高质量发展注入新动力。 海博石油是一家扎根于石油设备领域的专业企业,其燃油喷嘴产品广泛应用于全国各加油站、油库、加油场景。此次升级严格遵循2025年燃油喷嘴行业新标准要求,将双校准模块集成到产品设计中,实现机械和电子检测。错误率严格...

    READ MORE