油罐车底部阀门及零件

/ 产品 / 汽油和化学品罐车零件 / 油罐车底部阀门及零件 / 适用于燃油罐车的带双圆形法兰的高流量气动底部阀门

适用于燃油罐车的带双圆形法兰的高流量气动底部阀门

适用于燃油罐车的带双圆形法兰的高流量气动底部阀门

HBFV-B-4 是一款精心设计的气动底部阀门,专为油罐车安全高效的燃料处理而设计。该阀门直接安装在储罐底座上,具有切割槽,可在意外撞击时保护储罐的完整性。当受到极端力时,阀体的外部部分会沿着凹槽断裂,从而保持整个油箱密封并防止燃油泄漏。这种以安全为中心的设计确保燃料卸载操作在苛刻的条件下保持安全和可靠。

该阀门采用高强度压铸铝制成,兼具耐用性和轻质性能,使其在安装和维护过程中更易于操作。其高升力提升阀设计确保最大流量,支持汽油、柴油和其他轻质燃料的快速装卸。不锈钢内部部件耐腐蚀,Viton 密封件具有出色的化学兼容性,即使在恶劣的操作环境中也能延长使用寿命。该阀门的自定心柱塞和重型压缩弹簧可确保一致关闭,而可选的机械推杆或吊环螺栓适配器可在通风口或顶部操作时提供灵活性。

在全球范围内,这种类型的阀门有多种名称,反映了区域术语和工业实践。一些常见的替代品包括油箱卡车底阀、紧急截止阀、双法兰气动阀、油箱底盘阀、油箱底座气动阀、高流量卡车装载阀和油罐车安全截止阀。尽管命名存在差异,但核心功能仍然具有通用性:安全、高容量的燃料传输,同时考虑到安全和环境保护。

主要特点:
高流量能力,实现高效的燃料运行
与标准 4 英寸 TTMA 集水槽连接兼容
符合 DOT 49 CFR 178。345-8、DOT 406、EN 13308:2002 和 TTMA RP84-92 和 RP86-92 标准
压铸铝机身,强度高,重量轻
Viton 密封件和不锈钢内部结构,具有耐化学性和长寿命
通过带轴承套的黄铜凸轮平稳运行
双 O 形圈凸轮轴密封,增强防漏和维护简便性
可选机械推杆或吊环螺栓,实现多功能控制

技术规格:
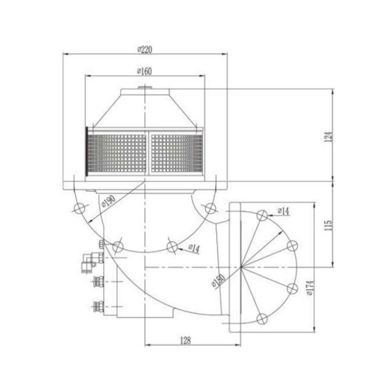
公称尺寸:4英寸
工作压力:0。6MPa
最大流量:2500 L/min
温度范围:-20°C至70°C
法兰:罐侧和管侧为圆形
开启方式:气动
与汽油和柴油等轻质燃料兼容

推荐配件:
罐侧法兰(HBBVTSFL-100R),带 8 个螺栓孔
带公螺母(HBBVTSFL-100RB)或母螺母(HBBVTSFL-100RA)的罐侧焊接槽
管侧圆形法兰(HBBVPSFL-100F),带 8 个螺栓孔
Buna-N / Viton 圆形垫片适用于储罐和管道两侧

该系列为油罐车、化学拖车和其他液体运输车辆提供了完整的解决方案,在油罐底阀和管道系统之间提供了可靠、高性能的连接。可以适应定制材料和尺寸以满足不同的区域标准或特定的项目要求。

  • 规格
  • 联系我们

阀门安装在罐体底部,阀盘密封在罐体内部,阀体设计有切割槽。当阀体受到意外的严重冲击时,阀体的外部将沿着切割槽断裂,从而确保罐体的整体密封并有效防止漏油。

技术规格:
项目编号 HBFV-B-4
名称:气动底阀
公称尺寸:4英寸
工作压力:0。6MPa
最大流量:2500L/min
开启方式:气动
温度范围:-20~70℃
法兰:罐侧圆形,管侧圆形
适用介质:汽油、柴油等轻质燃料

以下配件设计用于与底部阀门配合使用,以提供多种选择:

HBBVTSFL-100R – 罐侧法兰,带 8 个螺栓孔
HBBVTSFL-100RB – 带 8 个公螺栓的罐侧焊接集水槽
HBBVTSFL-100RA – 带 8 个母螺母的罐侧焊接集水槽
HBBVPSFL-100R – 管侧圆形法兰,带 8 个螺栓孔
Buna-N / Viton 圆形垫圈,适用于 4 英寸底部阀门罐侧
Buna-N / Viton 圆形垫圈,适用于 4 英寸底部阀门管侧

其他所需备件或其他材料均为定制!

特点:
高流速 – 专为高效装卸而设计
标准 4” TTMA 法兰兼容 – 易于安装,具有常见的集水槽配置
符合国际标准: TTMA RP84-92 和 RP86-92 剪切截面力等级,符合 DOT 49 CFR 178。345-8 和 DOT 406 标准的剪切槽,符合 EN 13308:2002 标准
压铸高强度铝体–轻巧耐用
Viton Seals – 优异的耐燃料和耐化学品性能
带轴承靴的黄铜凸轮 – 确保平稳运行和更长的使用寿命
双 O 形环凸轮轴密封 – 提高密封性能并简化维护
不锈钢内部部件 – 耐腐蚀且持久

功能亮点
高升力提升阀设计 – 最大化流动效率
带重型压缩弹簧的自定心柱塞 – 确保一致且安全的闭合
可选推杆适配器 / 吊环螺栓 – 用于机械通风口或顶部操作

关于海波
浙江海波石油设备有限公司。

浙江海波石油设备有限公司成立于2017年,是一家位于浙江省温州市永家县的认证企业—被全球公认为全球最大的石油设备制造基地,也是中国著名的泵阀之乡。
我们的产品广泛应用于流体控制系统、能源系统、测量系统、管道系统和液压系统,为世界各地的石油公司、军事单位、油库、油罐车制造商和加油站提供服务。省—被全球公认为全球最大的石油设备制造基地,也是中国著名的泵和阀门故乡。
在海博,我们拥有一支在石油设备和流体控制领域拥有 20 多年专业经验的高级行业专家团队。他们深厚的技术知识和行业洞察力确保我们提供的每种产品和解决方案都符合质量、可靠性和性能的最高标准。

荣誉证书
  • 实用新型专利证书
  • 实用新型专利证书
  • 实用新型专利证书
  • 实用新型专利证书
  • 实用新型专利证书
  • 实用新型专利证书
  • 实用新型专利证书
  • 实用新型专利证书
  • 实用新型专利证书
  • 实用新型专利证书
  • 测试报告
  • 测试报告
新闻
  • 随着国内油轮行业环境安全标准的不断提高,对加油站设备精细运行的需求变得越来越迫切。浙江海博石油设备有限公司凭借多年的技术研发和生产经验,打造了一系列油罐车和燃油分配器零件。这些产品适应性强、稳定性高、安全性高,已成为能源运输和石油零售终端的核心支撑选择,保障整个石油产业链的安全运行。 在油轮零部件领域,海博石油密切关注2024年油轮行业的新政策要求,推出包括密封件、阀门、连接器等全系列...

    READ MORE
  • 近日,浙江海博石油设备有限公司多款燃油喷嘴产品完成技术升级。凭借其精准计量、安全防护、适应智能化等核心优势,成为石油零售终端设备升级的首选方案,为加油站行业高质量发展注入新动力。 海博石油是一家扎根于石油设备领域的专业企业,其燃油喷嘴产品广泛应用于全国各加油站、油库、加油场景。此次升级严格遵循2025年燃油喷嘴行业新标准要求,将双校准模块集成到产品设计中,实现机械和电子检测。错误率严格...

    READ MORE