油罐车底部阀门及零件

/ 产品 / 汽油和化学品罐车零件 / 油罐车底部阀门及零件 / 油罐车紧凑型手动底阀 – HB804CS-80 系列

油罐车紧凑型手动底阀 – HB804CS-80 系列

油罐车紧凑型手动底阀 – HB804CS-80 系列

HB804CS-80系列是一款精密设计的手动底部阀门,专为油罐车和轻型液体运输车设计。阀盘位于罐体的最低点,完全封闭在罐体内,外阀壳设有安全切割槽。如果发生意外碰撞或严重撞击,阀体的外段将沿着凹槽断裂,保护油箱的完整性并防止意外燃油溢出。

这款紧凑的 3 英寸手动阀具有机械操作功能,可为燃料传输操作提供精确控制。其内部配置经过优化,可保持流体流动平稳并最大限度地减少装卸过程中的泄漏。阀体由表面处理的铝制成,兼具耐腐蚀性和轻质耐用性。可选配 VITON 或 Buna-N 密封垫圈,具有耐化学性和延长使用寿命。

在世界各地,这些阀门有不同的名称:“北美的 3 英寸手动紧急截止阀”、欧洲的 “手动罐底阀”、亚洲部分地区的 “手动罐底阀”和拉丁美洲的 “Válvula manual de fondo 3 pulgadas”。尽管术语多种多样,但该功能保持一致:为较小的储罐配置提供安全、可靠的底部阀门解决方案。

主要特点:
紧凑的 3 英寸设计,适用于小型储罐或专用应用
机械控制确保无需气动支撑即可可靠运行
完全符合 EN 13308 储罐服务设备标准
优化的内部流路可减少压降和泄漏
耐用的阳极氧化铝主体可抵抗腐蚀并延长使用寿命
可选的 VITON 或 Buna-N 垫片可增强化学兼容性
罐侧圆形法兰和管侧方形法兰,可进行多功能安装

技术规格:
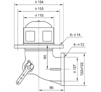
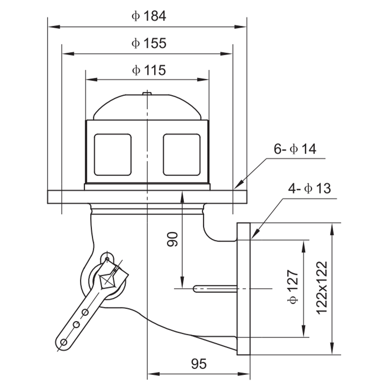
公称尺寸:3英寸
工作压力:0。6MPa
最大流量:750 L/min
温度范围:-20°C至70°C
打开模式:手动
法兰:罐侧圆形,管侧方形
介质:汽油、柴油或其他轻质燃料

推荐配件:
油箱侧扁平法兰(HBBVTSFL-80R)
带公螺栓(HBBVTSFL-80B)或母螺母(HBBVTSFL-80RA)的罐侧焊接集水槽
管侧方形法兰(HBBVPSFL-80F)

Buna-N 或 VITON 圆形或方形垫片,适用于储罐和管道侧
这款 3 英寸 HB804CS-80 手动底部阀门非常适合紧凑型油罐车、化学品运输拖车和小型液体运输装置,提供可靠、安全且防漏的解决方案。可提供定制配置和材料以满足区域标准或项目特定要求。

  • 规格
  • 联系我们

技术规格:
产品编号 HB804CS-80
公称尺寸:3英寸
工作压力:0。6MPa
最大流量:750L/min
打开模式:手动
温度范围:-20~70℃
法兰:罐侧为圆形,管侧为方形
适用介质:汽油、柴油等轻质燃料

以下配件设计用于与底部阀门配合使用,以提供多种选择:

HBBVTSFL-80R – 3” 罐侧法兰,带 6 个螺栓孔
HBBVTSFL-80RB – 3” 罐侧焊接泵,带 6 个公螺栓
HBBVTSFL-80RA – 3” 罐侧焊接泵,带 6 个母螺母
HBBVPSFL-80F – 3” 管侧方形法兰,带 4 个螺栓孔
Buna-N/Viton 圆形垫圈,适用于 3 英寸底部阀门罐侧
Buna-N/Viton 方形垫圈,适用于 3 英寸底部阀门管侧

其他所需备件或其他材料均为定制!

功能
符合 EN 13308 – 储罐维修设备。
机械控制–确保装卸过程的可靠运行。
优化的内部设计 – 最大限度地减少装载过程中的泄漏并允许高流量。
耐用的结构 – 由阳极氧化铝制成,具有耐腐蚀性。
可选配 VITON 或 Buna-N 密封垫圈– 优异的耐化学性和耐用性。

关于海波
浙江海波石油设备有限公司。

浙江海波石油设备有限公司成立于2017年,是一家位于浙江省温州市永家县的认证企业—被全球公认为全球最大的石油设备制造基地,也是中国著名的泵阀之乡。
我们的产品广泛应用于流体控制系统、能源系统、测量系统、管道系统和液压系统,为世界各地的石油公司、军事单位、油库、油罐车制造商和加油站提供服务。省—被全球公认为全球最大的石油设备制造基地,也是中国著名的泵和阀门故乡。
在海博,我们拥有一支在石油设备和流体控制领域拥有 20 多年专业经验的高级行业专家团队。他们深厚的技术知识和行业洞察力确保我们提供的每种产品和解决方案都符合质量、可靠性和性能的最高标准。

荣誉证书
  • 实用新型专利证书
  • 实用新型专利证书
  • 实用新型专利证书
  • 实用新型专利证书
  • 实用新型专利证书
  • 实用新型专利证书
  • 实用新型专利证书
  • 实用新型专利证书
  • 实用新型专利证书
  • 实用新型专利证书
  • 测试报告
  • 测试报告
新闻
  • 随着国内油轮行业环境安全标准的不断提高,对加油站设备精细运行的需求变得越来越迫切。浙江海博石油设备有限公司凭借多年的技术研发和生产经验,打造了一系列油罐车和燃油分配器零件。这些产品适应性强、稳定性高、安全性高,已成为能源运输和石油零售终端的核心支撑选择,保障整个石油产业链的安全运行。 在油轮零部件领域,海博石油密切关注2024年油轮行业的新政策要求,推出包括密封件、阀门、连接器等全系列...

    READ MORE
  • 近日,浙江海博石油设备有限公司多款燃油喷嘴产品完成技术升级。凭借其精准计量、安全防护、适应智能化等核心优势,成为石油零售终端设备升级的首选方案,为加油站行业高质量发展注入新动力。 海博石油是一家扎根于石油设备领域的专业企业,其燃油喷嘴产品广泛应用于全国各加油站、油库、加油场景。此次升级严格遵循2025年燃油喷嘴行业新标准要求,将双校准模块集成到产品设计中,实现机械和电子检测。错误率严格...

    READ MORE