各种罐车泄压阀和通气阀

首页 / 产品 / 石油化工罐车配件 / 各种罐车泄压阀和通气阀 / HBPV-E系列铝合金外置呼吸阀——保障油罐作业安全与高效

HBPV-E系列铝合金外置呼吸阀——保障油罐作业安全与高效

HBPV-E系列铝合金外置呼吸阀——保障油罐作业安全与高效

油罐在加注或卸油过程中,保持适当的内部压力对于安全、运营效率及环保至关重要。HBPV-E系列铝合金外置真空压力呼吸阀专为自动调节油罐压力而设计,可防止加油或放油过程中出现过压或真空状况。铝合金材质不仅坚固耐用,还具备优异的抗腐蚀性能,即使在恶劣环境下也能长期可靠运行。

在各地不同地区,该产品有多种称呼:美国称 “spring breather valve(弹簧呼吸阀)”,英国称 “oil tank truck vent(油罐车通风阀)”,澳大利亚称 “external tank pressure relief valve(外置罐体压力释放阀)”,印度称 “oil tanker breather valve(油罐船呼吸阀)”。无论叫法如何变化,其核心功能都是保护油罐及运输工具的安全,确保油品清洁完整。

HBPV-E系列提供多种型号以满足不同安装需求:
HBPV-E-FA: 带阻火器和法兰连接的外置呼吸阀
HBPV-E-02: 法兰连接外置呼吸阀
HBPV-E-03: BSPP或NPT 2英寸内螺纹外置呼吸阀
HBPV-E-04: BSPP或NPT 1英寸外螺纹外置呼吸阀
每个阀门均配备防溅装置,有效防止运输或作业过程中的油液外溢。铝合金阀体不仅轻便耐用,还具备长期抗腐蚀能力。为确保阀门长期稳定运行,建议定期进行检查与清理,避免杂质影响性能。
HBPV-E系列铝合金呼吸阀广泛适用于油罐车、加油车及油轮,在保证内部压力稳定的同时,有效减少油气泄漏,提升作业安全性和环保标准。选择HBPV-E,即是选择一套各地标准、可靠耐用、环保高效的油罐外置压力管理解决方案。

产品亮点
铝合金阀体:轻便、耐腐蚀、耐用
自动调节压力:保持油罐内部压力稳定
防溅设计:防止油液溢出
多种连接方式:法兰、BSPP或NPT螺纹
各地适用:油罐车、油罐运输及油轮

  • 规格
  • 联系我们

真空压力呼吸阀安装于油罐顶部,主要用于平衡罐体内外压力,确保罐体运行安全。该阀配备防溅装置,可有效防止运输过程中油品溢出,实现节能环保。为保证真空压力呼吸阀长期正常运行,建议定期检查维护,避免杂物堆积影响其性能。

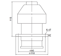
HBPV-E-FA 带阻火器法兰连接外呼吸阀

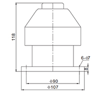
HBPV-E-02 法兰连接外呼吸阀

产品特点:
优异的密封性能:确保连接安全可靠,无泄漏。
优质材质:采用铸造铝合金制成,耐用且耐腐蚀。
多种安装方式:提供法兰和螺纹连接,支持多种螺纹规格,满足不同需求。
工作温度:-25℃至 80℃,适用于多种环境。
适用介质:水、液压油、机械油、柴油、乳化油、各类油脂及化工介质。

HBPV-E-03 外螺纹为 BSPP 或 NPT 2 寸内螺纹外呼吸阀

HBPV-E-04 外螺纹为 BSPP 或 NPT 1 寸外螺纹外呼吸阀

产品应用:
真空压力呼吸阀(又称弹簧呼吸阀、油罐车呼吸阀或通气阀)是油罐车、加油车和油船的核心部件。它可在油品进出罐时自动调节罐内压力,维持压力稳定,减少油气泄漏,保障油品的清洁与使用安全。

关于海博
浙江海博石油设备有限公司

浙江海博石油设备有限公司成立于2017年,位于浙江省温州市永嘉县,是一家认证企业。永嘉县素有“世界石油设备制造基地”和“中国泵阀之乡”的美誉。
我们的产品广泛应用于流体控制系统、能源系统、计量系统、管道系统和液压系统,服务对象涵盖世界范围内的石油公司、油库、油罐车制造商及加油站。
海博拥有一支由资深行业人士组成的团队,他们在石油设备和流体控制领域拥有20多年专业经验。凭借深厚的技术知识与行业洞察力,我们确保所提供的每一款产品和解决方案都具备高标准的质量、可靠性和性能。

荣誉证书
  • 实用新型专利证书
  • 实用新型专利证书
  • 实用新型专利证书
  • 实用新型专利证书
  • 实用新型专利证书
  • 实用新型专利证书
  • 实用新型专利证书
  • 实用新型专利证书
  • 实用新型专利证书
  • 实用新型专利证书
  • 测试报告
  • 测试报告
新闻
  • 随着国内油罐车行业环保与安全标准的持续提升,以及加油站设备精细化运营需求的日益迫切,浙江海博石油设备有限公司依托多年的技术研发与生产经验,打造出一系列油罐车及加油机配件产品。凭借高适配性、高稳定性和高安全性等优势,这些产品已成为能源运输及石油零售终端的重要配套选择,为石油产业链的安全运行保驾护航。 在油罐车配件领域,海博石油紧跟2024年油罐车行业新政策要求,推出了涵盖密封件、阀门、接头等在内的全...

    阅读更多
  • 近日,浙江海博石油设备有限公司多款加油枪产品完成技术升级。凭借计量精准、安全防护和适配智能化改造等核心优势,海博石油加油枪已成为石油零售终端设备升级的优选方案,为加油站行业高质量发展注入了新动能。 作为一家深耕石油装备领域的专业企业,海博石油的加油枪产品已广泛应用于全国各类加油站、油库及燃油加注场景。本次升级紧贴2025年行业对加油枪产品提出的新标准要求,在产品设计中集成了双校准模块,实现机械检测...

    阅读更多