各种罐车泄压阀和通气阀

首页 / 产品 / 石油化工罐车配件 / 各种罐车泄压阀和通气阀 / HBMH-BO系列测量孔——提升油罐监控效率

HBMH-BO系列测量孔——提升油罐监控效率

HBMH-BO系列测量孔——提升油罐监控效率

在储油罐管理中,准确的液位监测对于安全、运营效率和管理控制至关重要。HBMH-BO系列测量孔可直接安装在油罐人孔盖上,便于操作人员快速安装油尺或液位计(可选配件),实现精确测量与高效监控。

在各地不同地区,该产品有多种称呼:美国称为 “tank manhole level gauge port(油罐人孔液位测量口)”,英国称作 “fuel tank dipstick fitting(燃油罐油尺接口)”,澳大利亚称 “manhole cover measurement port(人孔盖测量孔)”,印度称 “tank liquid level access point(油罐液位接入口)”。无论名称如何变化,其核心功能始终是提供可靠的液位测量接口。

HBMH-BO系列采用高品质铸铝合金材料制造,可承受最高0.6 MPa的工作压力,适应-20℃至+50℃的温度范围,确保在各种工业和石油应用场景下均能稳定使用。坚固耐用的结构不仅延长了使用寿命,还能为液位测量设备提供安全、精准的安装支撑。

该系列提供多个型号,包括 HBMH-BO-01 和 HBMH-BO-02,可根据不同人孔盖尺寸及操作需求灵活选择。无论是简单油尺接口还是完整液位计安装,HBMH-BO系列都能为各地油罐监控提供可靠的解决方案,帮助提升监测精度、安全性和运营效率。

产品亮点
优质材质:铸铝合金,耐腐蚀、耐用
耐压性能:最高承压0.6 MPa
适应温度广:-20℃~+50℃,各地适用
灵活兼容:可支持油尺或液位计安装
型号多样:HBMH-BO-01与HBMH-BO-02适配不同人孔盖

  • 规格
  • 联系我们

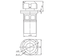
HBMH-BO 系列内置量油口安装于人孔盖的预留孔位,可配备量油尺或液位计(配件可选)。



HBMH-BO-01


HBMH-BO-02


技术参数:
阀体材质:铸造铝合金
工作压力:0.6MPa
温度范围:-20℃~+50℃

关于海博
浙江海博石油设备有限公司

浙江海博石油设备有限公司成立于2017年,位于浙江省温州市永嘉县,是一家认证企业。永嘉县素有“世界石油设备制造基地”和“中国泵阀之乡”的美誉。
我们的产品广泛应用于流体控制系统、能源系统、计量系统、管道系统和液压系统,服务对象涵盖世界范围内的石油公司、油库、油罐车制造商及加油站。
海博拥有一支由资深行业人士组成的团队,他们在石油设备和流体控制领域拥有20多年专业经验。凭借深厚的技术知识与行业洞察力,我们确保所提供的每一款产品和解决方案都具备高标准的质量、可靠性和性能。

荣誉证书
  • 实用新型专利证书
  • 实用新型专利证书
  • 实用新型专利证书
  • 实用新型专利证书
  • 实用新型专利证书
  • 实用新型专利证书
  • 实用新型专利证书
  • 实用新型专利证书
  • 实用新型专利证书
  • 实用新型专利证书
  • 测试报告
  • 测试报告
新闻
  • 随着国内油罐车行业环保与安全标准的持续提升,以及加油站设备精细化运营需求的日益迫切,浙江海博石油设备有限公司依托多年的技术研发与生产经验,打造出一系列油罐车及加油机配件产品。凭借高适配性、高稳定性和高安全性等优势,这些产品已成为能源运输及石油零售终端的重要配套选择,为石油产业链的安全运行保驾护航。 在油罐车配件领域,海博石油紧跟2024年油罐车行业新政策要求,推出了涵盖密封件、阀门、接头等在内的全...

    阅读更多
  • 近日,浙江海博石油设备有限公司多款加油枪产品完成技术升级。凭借计量精准、安全防护和适配智能化改造等核心优势,海博石油加油枪已成为石油零售终端设备升级的优选方案,为加油站行业高质量发展注入了新动能。 作为一家深耕石油装备领域的专业企业,海博石油的加油枪产品已广泛应用于全国各类加油站、油库及燃油加注场景。本次升级紧贴2025年行业对加油枪产品提出的新标准要求,在产品设计中集成了双校准模块,实现机械检测...

    阅读更多