各种人孔盖以及相关配件

首页 / 产品 / 石油化工罐车配件 / 各种人孔盖以及相关配件 / RKG系列铸铝人孔盖——可靠的顶装安全解决方案

RKG系列铸铝人孔盖——可靠的顶装安全解决方案

RKG系列铸铝人孔盖——可靠的顶装安全解决方案

RKG系列人孔盖是油罐车、化工罐车及其他危险液体运输车辆顶部的关键组件。该人孔盖不仅提供装卸和通风的安全通道,还能在日常操作和紧急情况下保障油罐的安全。

该人孔盖配备了真空压力通气阀和紧急泄压阀。在正常情况下,通气阀保持关闭状态。在燃料转运或温度变化时,罐内压力发生变化,通气阀会自动释放或吸入空气,以维持安全工作压力。在紧急情况下,例如火灾或罐体受到冲击时,紧急泄压阀会立即开启,释放过高压力,有效防止爆炸及其他危险。

各地称呼差异
这种顶部安全装置在世界各地的称呼有所不同:
德国:“Tankdeckel aus Aluminium mit Sicherheitsventil”
法国:“Couvercle de trappe en aluminium avec soupape de sécurité”
意大利:“Coperchio uomo in alluminio con valvola di sicurezza”
西班牙:“Tapa de registro de aluminio con válvula de seguridad”
荷兰:“Aluminium tankluik met veiligheidsklep”
英国:“Aluminum Manhole Cover with Emergency Relief Valve”
在亚洲和南美,这类产品通常被称为 “铸铝油罐顶盖”、“油罐人孔组件” 或 “安全通风人孔盖”。无论名称如何变化,其主要功能始终一致:保护油罐,确保操作安全。

主要特点
耐用铸铝结构:大板和小板采用压铸铝并进行表面氧化处理,具有出色的耐腐蚀性和耐用性。
可选双通气配置:可根据操作需求安装两个通气阀。
紧凑且成本效益高:尺寸合理,制造成本较低,非常适合商业油罐车使用。
可定制开孔:大板预留两个孔,可用于安装光学传感器、液位探针或外接真空阀。
材质说明:操作杆为镀锌碳钢;紧急排气阀为铝合金;密封圈可选Buna-N或Viton材质,具有良好化学抗性。

技术参数
通气排放设定压力:6–12 kPa
负压开启压力:-2 ~ -4 kPa
紧急泄压阀压力:21–32 kPa
工作温度范围:-20°C ~ +50°C

订购规格
名称 型号 外径 中心螺栓孔间距 螺栓孔数量
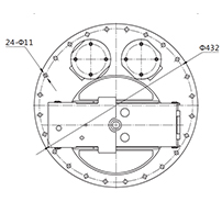
人孔盖 RKG-L-B460 460 mm 432 mm 12(螺栓孔直径11 mm)
人孔盖 RKG-L-B560 560 mm 530 mm 24(螺栓孔直径11 mm)
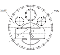
人孔盖 RKG-L-B580 580 mm 542 mm 24(螺栓孔直径11 mm)

应用范围
RKG系列铸铝人孔盖广泛用于石油运输、化工液体罐车、水罐车及其他顶部罐体接入方案。其可靠的结构、安全特性和国际标准认证,使其成为欧洲、亚洲和南美运营商的优选。

  • 规格
  • 联系我们

人孔盖安装在油罐车顶部,是装卸油和通风作业的关键部件,配备呼吸阀和紧急泄放阀,用于在紧急情况下保障罐体安全。正常状态下,呼吸阀处于关闭状态;但在燃油装卸、作业或温度波动时,罐内压力会发生变化,此时呼吸阀会自动开启,释放或吸入空气,将罐内压力维持在规定范围内。如遇火灾等紧急情况,紧急泄放阀会自动开启,快速释放罐内压力,防止爆炸等危险事故。本产品符合国际标准,被各地石油公司广泛认可,是危险物料运输过程中不可或缺的安全装置。



RKG-L-B460 铸铝人孔盖(螺栓式)

特点:
大盖与小盖为铸造成型,表面经过氧化处理。
可根据需求安装双通气阀。
结构紧凑,制造成本相对较低。
大盖上设有两个孔,可安装光学传感器、探杆或外置真空阀。


RKG-L-B560 铸铝人孔盖(螺栓式)

材质
手柄:镀锌碳钢
紧急排气阀:铝合金
大盖:铸铝
密封圈:可选丁腈橡胶(Buna-N)或氟橡胶(Viton)

技术参数
通气排放设定压力:6~12kPa
负压开启压力:-2~-4kPa
紧急排气阀开启压力:21~32kPa
温度范围:-20~+50℃

特点
大盖与小盖为铸铝件,表面经氧化处理
可根据需求安装双通气阀
结构紧凑,制造成本相对较低
大盖上设有两个孔,可安装光学传感器、探杆或外置真空阀
RKG-L-B560 铸铝人孔盖(螺栓式)


RKG-L-B580铸铝
井盖(螺栓式)

铸铝石油井盖订购规格:

名称 型号 外径 螺栓孔中心距 螺栓孔数量
人孔盖 RKG-L-B460 460 mm 432 mm 12 个(螺栓孔直径 11 mm)
人孔盖 RKG-L-B560 560 mm 530 mm 24 个(螺栓孔直径 11 mm)
人孔盖 RKG-L-B580 580 mm 542 mm 24 个(螺栓孔直径 11 mm)
关于海博
浙江海博石油设备有限公司

浙江海博石油设备有限公司成立于2017年,位于浙江省温州市永嘉县,是一家认证企业。永嘉县素有“世界石油设备制造基地”和“中国泵阀之乡”的美誉。
我们的产品广泛应用于流体控制系统、能源系统、计量系统、管道系统和液压系统,服务对象涵盖世界范围内的石油公司、油库、油罐车制造商及加油站。
海博拥有一支由资深行业人士组成的团队,他们在石油设备和流体控制领域拥有20多年专业经验。凭借深厚的技术知识与行业洞察力,我们确保所提供的每一款产品和解决方案都具备高标准的质量、可靠性和性能。

荣誉证书
  • 实用新型专利证书
  • 实用新型专利证书
  • 实用新型专利证书
  • 实用新型专利证书
  • 实用新型专利证书
  • 实用新型专利证书
  • 实用新型专利证书
  • 实用新型专利证书
  • 实用新型专利证书
  • 实用新型专利证书
  • 测试报告
  • 测试报告
新闻
  • 随着国内油罐车行业环保与安全标准的持续提升,以及加油站设备精细化运营需求的日益迫切,浙江海博石油设备有限公司依托多年的技术研发与生产经验,打造出一系列油罐车及加油机配件产品。凭借高适配性、高稳定性和高安全性等优势,这些产品已成为能源运输及石油零售终端的重要配套选择,为石油产业链的安全运行保驾护航。 在油罐车配件领域,海博石油紧跟2024年油罐车行业新政策要求,推出了涵盖密封件、阀门、接头等在内的全...

    阅读更多
  • 近日,浙江海博石油设备有限公司多款加油枪产品完成技术升级。凭借计量精准、安全防护和适配智能化改造等核心优势,海博石油加油枪已成为石油零售终端设备升级的优选方案,为加油站行业高质量发展注入了新动能。 作为一家深耕石油装备领域的专业企业,海博石油的加油枪产品已广泛应用于全国各类加油站、油库及燃油加注场景。本次升级紧贴2025年行业对加油枪产品提出的新标准要求,在产品设计中集成了双校准模块,实现机械检测...

    阅读更多