油罐车底部阀门及零件

/ 产品 / 汽油和化学品罐车零件 / 油罐车底部阀门及零件 / 不锈钢 4 英寸气动罐底阀(HB804CQ-100RSS)– 适用于化学品和水罐车

不锈钢 4 英寸气动罐底阀(HB804CQ-100RSS)– 适用于化学品和水罐车

不锈钢 4 英寸气动罐底阀(HB804CQ-100RSS)– 适用于化学品和水罐车

在化学品运输和液体物流中,安全和防漏是重中之重。HB804CQ-100RSS 不锈钢气动底部阀门专为 4 英寸储罐出口而设计,广泛应用于化学品船、运水车和其他液体运输车辆。阀盘安装在罐底,密封在罐内,阀体设有精密设计的切割槽。一旦发生突然撞击,阀体的外部就会沿着该凹槽断裂,从而保持整个油箱的密封并有效防止泄漏。

全球认可和各种名称
这种阀门在世界各地有不同的术语。在欧洲和北美,它通常被称为“不锈钢气动底阀”或“应急罐阀。” 在亚洲,操作员可以将其称为 “化学罐气动基阀”或 “罐底气动阀。” 在南美洲,它有时被称为 “Válvula de Fondo Neumática de Acero Inoxidable。” 无论名称如何,其核心功能都是为罐底操作提供安全、高流量和持久的连接。

主要特点
气动控制:灌装和排放操作平稳、可靠,最大限度地减少手动干预。
高流量效率:优化的内部设计确保快速装卸,同时降低泄漏风险。
耐用的不锈钢结构:SS304 或 SS316 选项,具有出色的耐腐蚀性和较长的使用寿命。
多功能密封选项:VITON 或 PTFE 垫圈为各种介质提供卓越的耐化学性。
温度范围:在-20°C至150°C之间可靠运行,适用于燃料、低腐蚀性液体和水。
法兰配置:罐侧为圆形法兰,管侧为方形法兰,安装牢固、精确。
标准气动接口:1/8” GAS 进气口可轻松连接到气动控制系统。

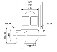
技术规格
公称尺寸:4英寸
材质:SS304/SS316
工作压力:0。6MPa
最大流速:2500 L/min
开启方式:气动
适用介质:汽油、柴油、低腐蚀性液体、水

可选配件
罐侧扁平法兰:HBBVTSFL-100R
带公螺栓的罐侧焊接泵:HBBVTSFL-100RB
带内螺母的罐侧焊接泵:HBBVTSFL-100RA
管侧方形法兰:HBBVPSFL-100F
用于储罐和管道侧的 PTFE / VITON 垫圈
可根据要求提供定制备件和材料

应用程序
HB804CQ-100RSS 非常适合化学品罐车、水运车辆和其他专用液体运输车。其坚固的不锈钢结构、高耐化学性和气动操作使其成为国际运输标准的可靠解决方案。

  • 规格
  • 联系我们

这些阀门安装在罐体底部,阀盘密封在罐体内部,阀体设计有切割槽。当阀体受到意外的严重冲击时,阀体的外部将沿着切割槽断裂,从而确保罐体的整体密封并有效防止漏油。

技术规格:
项目编号 HB804CQ-100RSS304
公称尺寸:4英寸
材质:SS304或SS316
工作压力:0。6MPa
最大流量:2500L/min
开启方式:气动
温度范围:-20~150℃
法兰:罐侧为圆形,管侧为方形
适用介质:汽油、柴油、低腐蚀性液体等轻质燃料

以下配件设计用于与底部阀门配合使用,以提供多种选择:

HBBVTSFL-100R – 罐侧法兰,带 8 个螺栓孔
HBBVTSFL-100RB – 带 8 个公螺栓的罐侧焊接集水槽
HBBVTSFL-100RA – 带 8 个母螺母的罐侧焊接集水槽
HBBVPSFL-100F – 管侧方形法兰,带 4 个螺栓孔
PTFE / Viton 圆形垫圈,适用于 4 英寸底部阀门罐侧
PTFE / Viton 方形垫圈,适用于 4 英寸底部阀门管侧

其他所需备件或其他材料均为定制!

功能
符合 EN 13308 – 储罐维修设备。
气动控制–确保装卸过程的可靠运行。
优化的内部设计 – 最大限度地减少装载过程中的泄漏并允许高流量。
耐用结构 – 可选采用不锈钢 304 或不锈钢 316 制成。
可选配 VITON 或 PTFE 密封垫圈– 优异的耐化学性和耐用性。
1/8” GAS 进气口 – 气动控制的标准连接。

关于海波
浙江海波石油设备有限公司。

浙江海波石油设备有限公司成立于2017年,是一家位于浙江省温州市永家县的认证企业—被全球公认为全球最大的石油设备制造基地,也是中国著名的泵阀之乡。
我们的产品广泛应用于流体控制系统、能源系统、测量系统、管道系统和液压系统,为世界各地的石油公司、军事单位、油库、油罐车制造商和加油站提供服务。省—被全球公认为全球最大的石油设备制造基地,也是中国著名的泵和阀门故乡。
在海博,我们拥有一支在石油设备和流体控制领域拥有 20 多年专业经验的高级行业专家团队。他们深厚的技术知识和行业洞察力确保我们提供的每种产品和解决方案都符合质量、可靠性和性能的最高标准。

荣誉证书
  • 实用新型专利证书
  • 实用新型专利证书
  • 实用新型专利证书
  • 实用新型专利证书
  • 实用新型专利证书
  • 实用新型专利证书
  • 实用新型专利证书
  • 实用新型专利证书
  • 实用新型专利证书
  • 实用新型专利证书
  • 测试报告
  • 测试报告
新闻
  • 随着国内油轮行业环境安全标准的不断提高,对加油站设备精细运行的需求变得越来越迫切。浙江海博石油设备有限公司凭借多年的技术研发和生产经验,打造了一系列油罐车和燃油分配器零件。这些产品适应性强、稳定性高、安全性高,已成为能源运输和石油零售终端的核心支撑选择,保障整个石油产业链的安全运行。 在油轮零部件领域,海博石油密切关注2024年油轮行业的新政策要求,推出包括密封件、阀门、连接器等全系列...

    READ MORE
  • 近日,浙江海博石油设备有限公司多款燃油喷嘴产品完成技术升级。凭借其精准计量、安全防护、适应智能化等核心优势,成为石油零售终端设备升级的首选方案,为加油站行业高质量发展注入新动力。 海博石油是一家扎根于石油设备领域的专业企业,其燃油喷嘴产品广泛应用于全国各加油站、油库、加油场景。此次升级严格遵循2025年燃油喷嘴行业新标准要求,将双校准模块集成到产品设计中,实现机械和电子检测。错误率严格...

    READ MORE