各种罐车泄压阀和通气阀

首页 / 产品 / 石油化工罐车配件 / 各种罐车泄压阀和通气阀 / HB802X-80系列不锈钢排气安全阀——保障化学液体储罐安全

HB802X-80系列不锈钢排气安全阀——保障化学液体储罐安全

HB802X-80系列不锈钢排气安全阀——保障化学液体储罐安全

化学液体储罐的压力管理至关重要,不仅关系到操作安全,也关系到人员及环境保护。HB802X-80系列不锈钢排气安全阀专为化学储罐设计,可在紧急情况下释放过高压力,确保储罐运行平稳安全。

在各地不同地区,该产品有多种称呼:美国称 “emergency vent valve(紧急排气阀)”,英国称 “tank pressure relief valve(罐体压力释放阀)”,澳大利亚称 “chemical tank safety exhaust valve(化学罐安全排气阀)”,印度称 “stainless steel overpressure vent(不锈钢超压排气阀)”。无论称呼如何变化,其核心功能始终是保护储罐安全,防止过压造成结构损坏。

HB802X-80系列包含三种型号,可满足不同操作需求:
HB802A-80: 单向排气阀,仅配备一个压力阀片。当储罐内部压力超过额定释放压力时,阀片开启,安全释放多余压力。
HB802B-80: 真空压力排气阀,配备两个阀片——一个压力阀片,一个真空阀片。当罐内蒸气压力超过允许值时,压力阀片开启释放蒸气;当罐内压力低于允许真空时,空气通过真空阀片进入储罐,压力阀片保持关闭,保证罐体在过压和负压情况下均受保护。
HB802C-80: 单向排气阀,带爆破片装置。当内部压力超过爆破设定值时,爆破片破裂,压力阀片开启释放多余压力。爆破片通常比压力阀片开启压力高0.02 MPa,确保额外安全保障。爆破后需更换爆破片。

技术优势:
材质选择: 碳钢、304不锈钢或316不锈钢,耐腐蚀、耐久性强
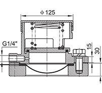
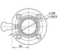
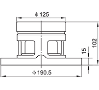
公称直径: 3英寸,适用范围广
公称压力: 0.6 MPa
阀门开启压力: 0.05~0.4 MPa,可按储罐需求调整
温度范围: -20℃~+120℃
连接方式: 法兰,安装稳固可靠
HB802X-80系列阀门采用高品质不锈钢制造,可承受化学环境的腐蚀,长期使用仍保持可靠运行。定期检查与维护可确保阀门性能稳定,保护储罐和操作人员安全。
该系列广泛适用于化学储罐、工业液体储罐及加工罐,通过控制紧急压力释放,防止罐体损坏,降低化学品泄漏风险,保障环境和操作安全。选择HB802X-80系列,即是选择一套各地认可、高性能的化学储罐压力安全解决方案。

产品亮点
不锈钢材质(304/316):耐腐蚀、耐久、适应恶劣环境
三种型号可选:单向排气、真空压力、带爆破片装置
宽温及压力适应:-20℃~+120℃,0.05~0.4 MPa
法兰连接:稳固可靠,安装简便
各地适用:化学储罐、工业液体储罐、加工罐
双重保护设计(HB802B-80):同时应对过压与真空

  • 规格
  • 联系我们

它们通常安装在化工液体储罐顶部,用于紧急泄压。
包含以下 3 种不同功能的装置:


HB802A-80

HB802B-80

HB802C-80

HB802A-80:单向外排气阀,仅带一个压力阀盘。当罐内压力高于额定释放压力时,阀盘开启,释放多余压力。
HB802B-80:真空压力呼吸阀,带有两个阀盘,分别为压力阀盘和真空阀盘。当罐内液体蒸汽压力超过允许压力时,蒸汽通过压力阀释放,真空阀盘保持关闭;当罐内液体蒸汽压力低于允许真空度时,新鲜空气通过真空阀盘进入罐内,压力阀盘保持关闭。
HB802C-80:单向外排气阀,带有一个压力阀盘和额外的爆破片装置(一种在设定压力下爆破后无法关闭的泄压装置,爆破后需更换爆破片)。当罐内压力高于额定释放压力时,爆破片破裂,同时压力阀盘开启,释放多余压力。爆破片的爆破压力通常比压力阀盘的开启压力高 0.02MPa。

技术参数:
公称通径:3 英寸
公称压力:0.6MPa
材质:碳钢、SS304 或 SS316
连接方式:法兰连接
阀门开启压力:0.05 至 0.4MPa
温度范围:-20~+120℃

订购指南:
安全阀的材质可根据用户需求订购,如碳钢、不锈钢 304、不锈钢 316;开启压力可根据用户实际需求订购;密封环材质也可根据实际需求选择。

图示孔位通常由螺栓封堵,拆下螺栓后可在此安装压力表。

正压阀盘和负压阀盘均可单独销售。

关于海博
浙江海博石油设备有限公司

浙江海博石油设备有限公司成立于2017年,位于浙江省温州市永嘉县,是一家认证企业。永嘉县素有“世界石油设备制造基地”和“中国泵阀之乡”的美誉。
我们的产品广泛应用于流体控制系统、能源系统、计量系统、管道系统和液压系统,服务对象涵盖世界范围内的石油公司、油库、油罐车制造商及加油站。
海博拥有一支由资深行业人士组成的团队,他们在石油设备和流体控制领域拥有20多年专业经验。凭借深厚的技术知识与行业洞察力,我们确保所提供的每一款产品和解决方案都具备高标准的质量、可靠性和性能。

荣誉证书
  • 实用新型专利证书
  • 实用新型专利证书
  • 实用新型专利证书
  • 实用新型专利证书
  • 实用新型专利证书
  • 实用新型专利证书
  • 实用新型专利证书
  • 实用新型专利证书
  • 实用新型专利证书
  • 实用新型专利证书
  • 测试报告
  • 测试报告
新闻
  • 随着国内油罐车行业环保与安全标准的持续提升,以及加油站设备精细化运营需求的日益迫切,浙江海博石油设备有限公司依托多年的技术研发与生产经验,打造出一系列油罐车及加油机配件产品。凭借高适配性、高稳定性和高安全性等优势,这些产品已成为能源运输及石油零售终端的重要配套选择,为石油产业链的安全运行保驾护航。 在油罐车配件领域,海博石油紧跟2024年油罐车行业新政策要求,推出了涵盖密封件、阀门、接头等在内的全...

    阅读更多
  • 近日,浙江海博石油设备有限公司多款加油枪产品完成技术升级。凭借计量精准、安全防护和适配智能化改造等核心优势,海博石油加油枪已成为石油零售终端设备升级的优选方案,为加油站行业高质量发展注入了新动能。 作为一家深耕石油装备领域的专业企业,海博石油的加油枪产品已广泛应用于全国各类加油站、油库及燃油加注场景。本次升级紧贴2025年行业对加油枪产品提出的新标准要求,在产品设计中集成了双校准模块,实现机械检测...

    阅读更多