石油化工罐车配件

首页 / 产品 / 石油化工罐车配件 / HBREV-I 系列 – 高效燃油罐油气回收与通气控制阀

HBREV-I 系列 – 高效燃油罐油气回收与通气控制阀

HBREV-I 系列 – 高效燃油罐油气回收与通气控制阀

HBREV-I 油气回收通气阀专为燃油运输罐车设计,通常安装在人孔盖上。阀体头部位于罐内,尾部通过管路连接至油气回收系统,实现油罐在装卸过程中的油气回收或压力调节。

在底部装卸过程中,操作人员可打开HBREV-I通气阀并关闭侧板通气阀,实现油气的高效回收。回收完成后,可通过侧板通气阀向大气排放油气。运输途中关闭HBREV-I阀门,则可有效封闭油罐,防止意外泄漏,确保运输安全。

各地不同称呼
这种油罐通气阀在各国有多种称呼:
德国: “Dampf-Rückgewinnungsventil für Tankdeckel”
法国: “Soupape de récupération de vapeur pour trappe de réservoir”
意大利: “Valvola di recupero vapori per coperchio serbatoio”
西班牙: “Válvula de recuperación de vapor para tapa de registro”
荷兰: “Dampterugwinningsventiel voor tankluik”
英国: “Fuel Tank Vapor Recovery Vent Valve”
亚洲和南美: 常称为“油罐油气回收阀”、“燃油回收通气阀”或“罐顶油气调节阀”
尽管命名不同,其核心功能保持一致:控制油罐油气流动、回收油气、保障运输安全。

主要特点
高强度铸铝材质: 阀体采用铸铝合金制成,耐腐蚀、抗冲击。
密封可靠: 使用氟橡胶(Viton)或丁腈橡胶(Buna-N)密封,防止油气泄漏。
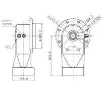
快速装卸: 4英寸大口径设计,使油气在快速装卸时能顺畅流通。
气动控制接口: RC1/4”螺纹气管接口,可精确控制阀门开闭。
工作压力: 最大工作压力0.8 MPa,最小开启压力0.2 MPa。
安全密封: 阀体朝舱室打开,保证运输过程中的完全密封。

应用场景
石油、汽油及轻质燃料运输罐车
油气回收系统或环保运输罐车
工业化工液体及轻质烃类液体运输
需要在装卸和运输过程中有效控制油气排放的场景
HBREV-I阀门以高效的油气回收能力、坚固的铝合金结构和可靠的密封系统,为油罐运输提供安全、环保和高效的解决方案,适用于各地各类燃油罐车运营商。

  • 规格
  • 联系我们

HBREV-I 型油气回收通气阀通常安装在油罐车的人孔盖上,阀头位于罐内,尾部连接油气回收管路。用于底部装卸油作业时的油气回收或通气。底部装卸油时,开启油气回收通气阀并关闭侧板通气阀,即可回收油气;回收油气时,可通过侧板通气阀将油气回收通气阀与大气连通。运输过程中关闭油气回收通气阀,可有效密封油罐,并在紧急情况下防止油品泄漏。

特点:
主体材质为铸造铝合金,密封件采用氟橡胶和丁腈橡胶。
4 英寸通径设计,可实现快速装卸油作业时油气的快速流通。
带 RC1/4" 螺纹的气管接口。
工作压力 0.8MPa,最小开启压力 0.2MPa。
阀体向罐内开启,实现内部密封。

关于海博
浙江海博石油设备有限公司

浙江海博石油设备有限公司成立于2017年,位于浙江省温州市永嘉县,是一家认证企业。永嘉县素有“世界石油设备制造基地”和“中国泵阀之乡”的美誉。
我们的产品广泛应用于流体控制系统、能源系统、计量系统、管道系统和液压系统,服务对象涵盖世界范围内的石油公司、油库、油罐车制造商及加油站。
海博拥有一支由资深行业人士组成的团队,他们在石油设备和流体控制领域拥有20多年专业经验。凭借深厚的技术知识与行业洞察力,我们确保所提供的每一款产品和解决方案都具备高标准的质量、可靠性和性能。

荣誉证书
  • 实用新型专利证书
  • 实用新型专利证书
  • 实用新型专利证书
  • 实用新型专利证书
  • 实用新型专利证书
  • 实用新型专利证书
  • 实用新型专利证书
  • 实用新型专利证书
  • 实用新型专利证书
  • 实用新型专利证书
  • 测试报告
  • 测试报告
新闻
  • 随着国内油罐车行业环保与安全标准的持续提升,以及加油站设备精细化运营需求的日益迫切,浙江海博石油设备有限公司依托多年的技术研发与生产经验,打造出一系列油罐车及加油机配件产品。凭借高适配性、高稳定性和高安全性等优势,这些产品已成为能源运输及石油零售终端的重要配套选择,为石油产业链的安全运行保驾护航。 在油罐车配件领域,海博石油紧跟2024年油罐车行业新政策要求,推出了涵盖密封件、阀门、接头等在内的全...

    阅读更多
  • 近日,浙江海博石油设备有限公司多款加油枪产品完成技术升级。凭借计量精准、安全防护和适配智能化改造等核心优势,海博石油加油枪已成为石油零售终端设备升级的优选方案,为加油站行业高质量发展注入了新动能。 作为一家深耕石油装备领域的专业企业,海博石油的加油枪产品已广泛应用于全国各类加油站、油库及燃油加注场景。本次升级紧贴2025年行业对加油枪产品提出的新标准要求,在产品设计中集成了双校准模块,实现机械检测...

    阅读更多