分配器燃料输送设备

/ 产品 / 燃料分配器的备件 / 分配器燃料输送设备 / Bennett 型高流量集成泵和仪表装置,用于燃油分配器

Bennett 型高流量集成泵和仪表装置,用于燃油分配器

Bennett 型高流量集成泵和仪表装置,用于燃油分配器

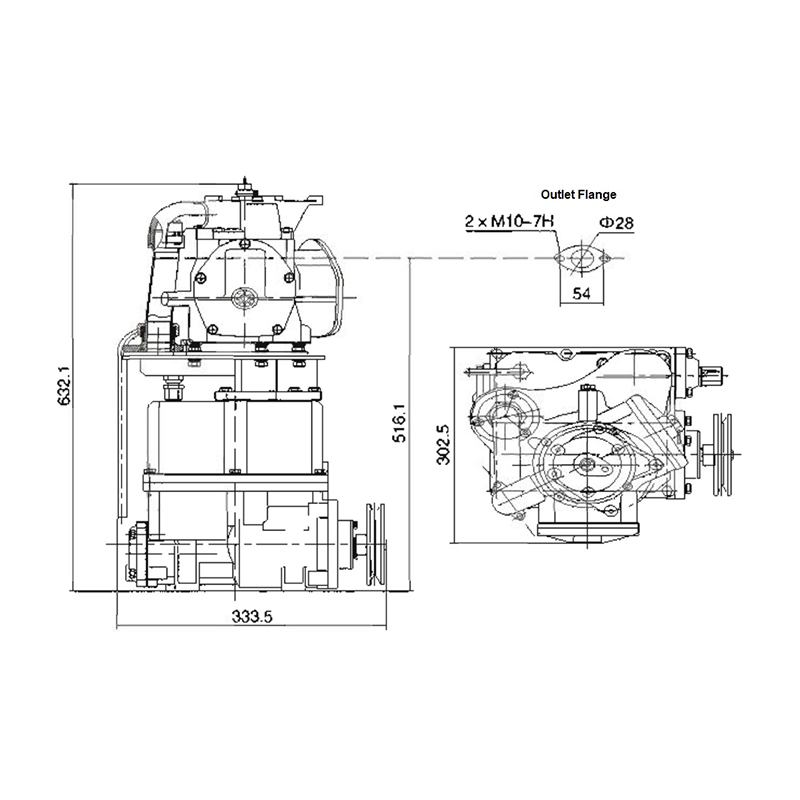
对于燃油分配器制造商和系统集成商来说,生产线的效率与现场性能同样重要。CP8 高流量叶片泵和 DTJ6 高流量计的组合单元正是为此目的而开发的 — 以工厂就绪的预组装解决方案提供大容量燃料传输。

该集成单元无需在分配器生产过程中单独采购泵和仪表并组装它们,而是通过专用匹配管道连接,并经过兼容性和对齐测试。它使燃油分配器工厂能够减少组装时间、降低安装误差并加快整体生产效率。

在世界各地,这种类型的集成解决方案有许多不同的名称。在北美,它通常被称为高流量泵和仪表组件或集成燃油泵装置。欧洲制造商经常将其称为燃油分配器液压模块。在拉丁美洲,它可以被描述为 Conjunto de Bomba y Medidor de Alto Caudal。在中东和非洲,买家通常称其为高容量燃料输送装置。在亚洲市场,它通常被认为是燃油分配器的高流量泵和仪表组合。尽管名称不同,但目标是通用的—高吞吐量、稳定计量和简化安装。

该装置的核心是 CP8 高流量叶片泵,专为需要大燃料量和稳定抽吸性能的应用而设计。其叶片式结构确保燃料输送平稳、真空能力强,即使在连续运行下也能输出一致。与之搭配的是 DTJ6 高流量机械表,以其可靠的精度、较长的使用寿命以及在不牺牲重复性的情况下处理宽流量范围的能力而闻名。

这种组合单元特别有吸引力的不仅在于各个组件,还在于它们协同工作的方式。专用连接管道专为这种泵和仪表配对而设计,确保最佳对准、减少振动并最大限度地减少压力损失。这种集成结构提高了整体系统稳定性并延长了组件的使用寿命。

对于燃油分配器制造商来说,这种预连接解决方案具有明显的优势。它简化了采购,减少了装配劳动力,缩短了生产周期,并降低了安装不一致的风险。对于分销商和项目承包商来说,它提供了一个标准化的、可立即安装的液压芯,可以轻松集成到不同的分配器设计中。

在实际应用中,CP8和DTJ6组合单元广泛应用于高流量燃油分配器、车队加油系统、商业加油站、工业燃油供应设备以及需要快速加油和高吞吐量的应用。它特别适合燃油速度和运营效率至关重要的市场。

通过选择 CP8 高流量叶片泵和 DTJ6 高流量计组合单元,客户不仅可以获得两个组件 — 他们还可以获得完整的、工厂友好的燃料输送模块。它代表了一种构建高性能燃油分配器的更智能方法,同时保持全球市场的一致性、可靠性和可扩展性。

  • 规格
  • 联系我们
关于海波
浙江海波石油设备有限公司。

浙江海波石油设备有限公司成立于2017年,是一家位于浙江省温州市永家县的认证企业—被全球公认为全球最大的石油设备制造基地,也是中国著名的泵阀之乡。
我们的产品广泛应用于流体控制系统、能源系统、测量系统、管道系统和液压系统,为世界各地的石油公司、军事单位、油库、油罐车制造商和加油站提供服务。省—被全球公认为全球最大的石油设备制造基地,也是中国著名的泵和阀门故乡。
在海博,我们拥有一支在石油设备和流体控制领域拥有 20 多年专业经验的高级行业专家团队。他们深厚的技术知识和行业洞察力确保我们提供的每种产品和解决方案都符合质量、可靠性和性能的最高标准。

荣誉证书
  • 实用新型专利证书
  • 实用新型专利证书
  • 实用新型专利证书
  • 实用新型专利证书
  • 实用新型专利证书
  • 实用新型专利证书
  • 实用新型专利证书
  • 实用新型专利证书
  • 实用新型专利证书
  • 实用新型专利证书
  • 测试报告
  • 测试报告
新闻
  • 随着国内油轮行业环境安全标准的不断提高,对加油站设备精细运行的需求变得越来越迫切。浙江海博石油设备有限公司凭借多年的技术研发和生产经验,打造了一系列油罐车和燃油分配器零件。这些产品适应性强、稳定性高、安全性高,已成为能源运输和石油零售终端的核心支撑选择,保障整个石油产业链的安全运行。 在油轮零部件领域,海博石油密切关注2024年油轮行业的新政策要求,推出包括密封件、阀门、连接器等全系列...

    READ MORE
  • 近日,浙江海博石油设备有限公司多款燃油喷嘴产品完成技术升级。凭借其精准计量、安全防护、适应智能化等核心优势,成为石油零售终端设备升级的首选方案,为加油站行业高质量发展注入新动力。 海博石油是一家扎根于石油设备领域的专业企业,其燃油喷嘴产品广泛应用于全国各加油站、油库、加油场景。此次升级严格遵循2025年燃油喷嘴行业新标准要求,将双校准模块集成到产品设计中,实现机械和电子检测。错误率严格...

    READ MORE